近些年來,我國國民經濟持續高速發展,但能源供應明顯不足。另一方面,我國的工業企業電動機用電量約占全國發電量 的60%~70%,風機和泵類設備年耗電量約占全國電力消耗的1/3,造成這種狀況的主要原因是風機和泵類等設備傳統的調節方法是通過調節入口或出口的擋板、閥門開度來調節給風量和給水量,其輸出功率大量消耗在截流過程中,而且因此造成的維護、維修費用占到生產成本的7%~25%,是一筆不小的生產費用開支,節能顯得尤為重要。
目前,我國在建、新建的飼料廠已呈大型化、智能化,將來還會向特大型化發展。冷卻風機是飼料加工中必不可少的設備之一,隨著設備產量的增大,電機功率也相應增大,而且經常在設計中,冷卻風機電機的容量比實際需要高,存在“大馬拉小車” 的現象,效率低下,造成電能的大量浪費。在競爭成白熱化的飼料加工企業中,節能降本增效迫在眉睫。我們知道,冷卻風機的軸功率與轉速成三次方關系,當風機轉速下降時,消耗的功率也大大降低,因此節能潛力非常大。隨著變頻器技術的快速發展,在飼料加工的冷卻風機上要盡可能推廣交流變頻器調速裝置的應用。
1 變頻調速原理
三相交流異步電動機的轉速計算公式如下:
式中,n為電動機轉速,r/min;f為定子交流電源的頻率,Hz;p為電磁極對數;s為轉差率。
由上式可知,電機轉速與工作電源輸入頻率成正比,通過改變電動機工作電源頻率可以達到改變電機轉速的目的。
2 變頻器的結構和工作原理
變頻器是一種電動機控制器,它可將交流主電源輸入轉換成可變交流波形輸出。為了控制電動機速度或轉矩,輸出的電壓和頻率會受到調節。變頻器可以根據系統的反饋來改變電動機的速度。變頻器還可以根據來自外部控制器的遠程命令來調節電動機的轉速。
其主要構成見圖1(丹佛斯FC系列變頻器)。
3 飼料廠冷卻風機系統存在的問題
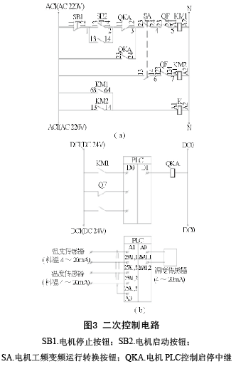
接著重新設計了冷卻風機的二次控制電路,見圖3。最后在冷卻器主體底側和風管上安裝溫度傳感器,根據所測料溫及對料溫的要求,調節變頻調速器,調節冷卻速度,從而降低功耗。


3 飼料廠冷卻風機系統存在的問題
(1)電機始終工作在工頻50Hz狀態下,電能消耗大,浪費嚴重,而且噪音大。
(2)由于電機為直接啟動或星三角降壓啟動,啟動電流等于4~7倍額定電流,這樣會對機電設備和供電電網造成嚴重的沖擊,并且還會對電網容量要求過高,啟動時產生的大電流和震動對擋板和閥門的損害極大,對設備、管路的使用壽命極為不利,對開關回路電器元件、二次繼電回路儀表損壞較大。
(3)普通控制方式基本上為手動操作調節風門,工人的勞動強度大、控制精度低、可靠性差、維護工作量大。
4 變頻器在飼料廠冷卻風機節能上的分析
以飼料廠30kW的冷卻風機為例,電機銘牌上顯示電壓為380V,電源頻率50Hz,功率因數為0.82,額定電流為55.6A。
先分析工頻時運行工況:在工頻50Hz運行狀態下,風機恒轉速運轉,此時因轉速過高,瞬間風量過大,造成完整的顆粒料破裂,且使顆粒所含水分降低,從而影響了飼料的品質。要解決這個問題只有去調節風機出風的風門,致使輸出功率大量消耗在風門上,造成較大浪費。
再分析變頻時運行工況:首先把冷卻風機的一次控制電路圖作了改造,見圖2。

接著重新設計了冷卻風機的二次控制電路,見圖3。最后在冷卻器主體底側和風管上安裝溫度傳感器,根據所測料溫及對料溫的要求,調節變頻調速器,調節冷卻速度,從而降低功耗。

從圖2~圖3可以看出,冷卻風機變頻控制改造較簡單當。變頻器出現故障時,冷卻風機需連續運行,可以通過SA電機工頻/變頻運行轉換按鈕,使冷卻風機切換到工頻狀態下運行,變頻器修復后,再人工切換回變頻運行,保障系統長期正常運行。并且在系統改造中加入了PLC,為以后的工廠集散控制、系統自動調節作了鋪墊。
國內某飼料廠的冷卻風機經改造后,風機轉速下降到原工頻轉速的86.74%,就可以滿足正常生產需要,其所消耗電能下降為19.76kW·h,節電34.15%。按此廠生產情況分析,可節約成本:300d/年×20h/d×30kW×1.2元/元kW·h×34.15%×2=14.8萬元(此廠為2條制粒冷卻線)。
另外,由于變頻器內部濾波電容的作用,功率因數提高到接近1,從而減少了無功損耗,增加了電網的有功功率。還有,利用變頻器的軟啟動功能可以將啟動電流從零開始,最大值也不超過額定電流,減輕了對電網的沖擊和對供電容量的要求,延長了設備的使用壽命。
5 結論
通過以上分析,可以得出飼料廠冷卻風機通過變頻節能不但可行,而且節能效果十分明顯,雖然一次投資有點大,但回報率相當高。













